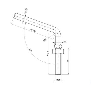
Support pour béquille à six pans

100159/ 158
Numéro d'article
100259
3.90 kg
9900300
pour support béquille Ø60mm